Комплект душевой (400 PSS) раздвижной системы, нерж. сталь полированная
Комплект для установки раздвижных дверей изготовлен из нержавеющей стали AISI 304. Материал устойчив к воздействию влаги, не подвержен коррозии в условиях ванной комнаты. Полированные элементы комплекта стильно смотрятся в интерьере, имеют глянцевый блеск.
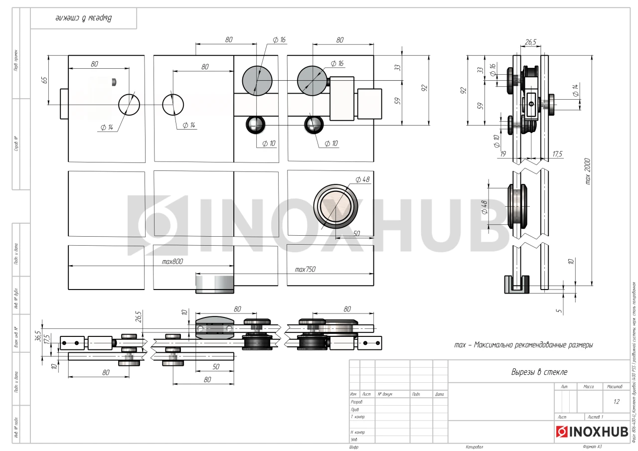
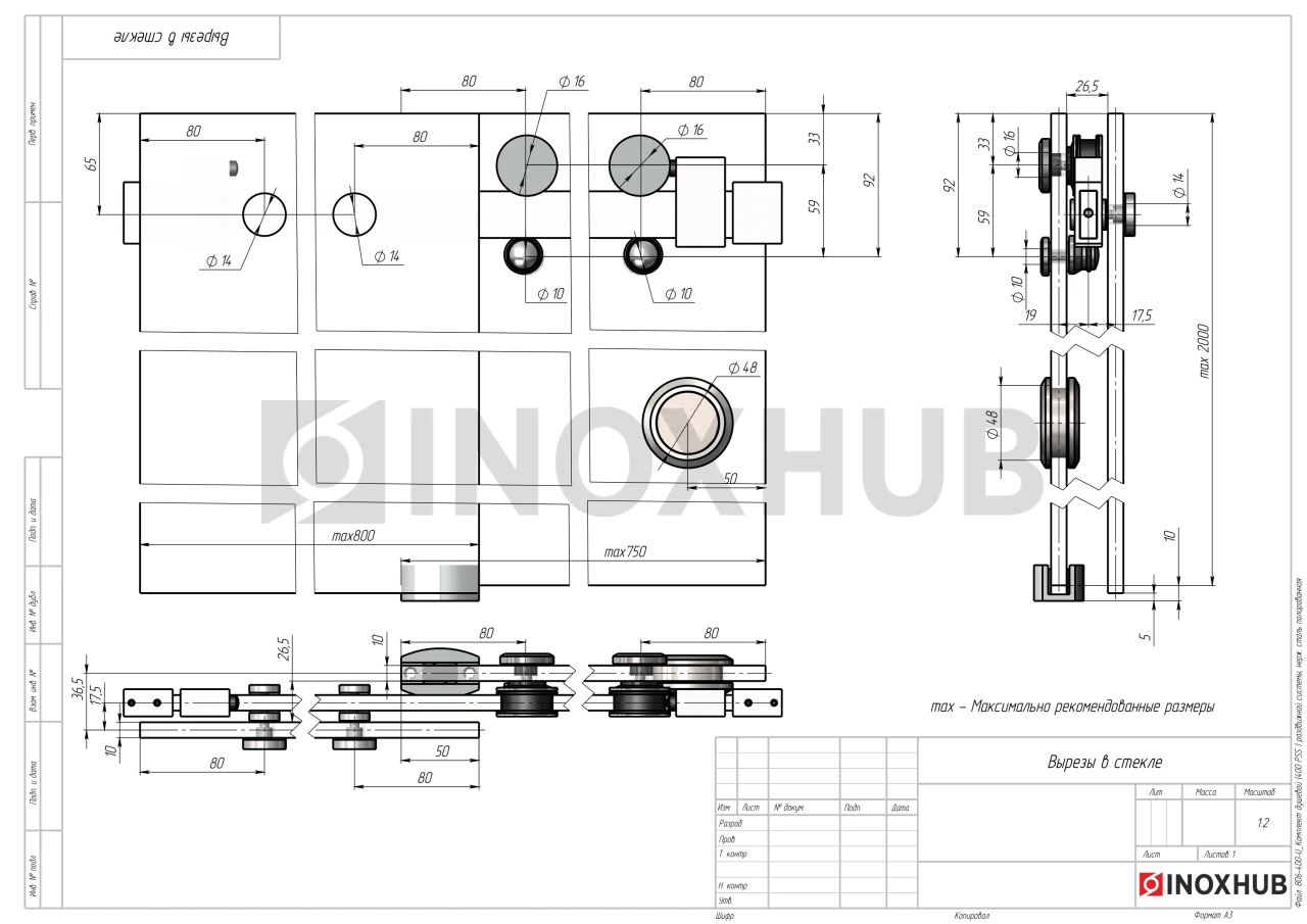
Применение. Душевой комплект предназначен для установки раздвижных систем душевой кабины. Максимальная нагрузка на обе каретки — не более 45 кг. Максимально допустимый размер одной створки при консольном закреплении трека — 500х2000 мм. Комплект обеспечивает плавное, практически бесшумное открывание и закрывание дверей.
Сборка и монтаж. Комплект включает в себя все необходимые детали и аксессуары для установки раздвижных дверей:
- Ролик с креплением к стеклу — 2 шт.
- Ограничитель соскакивания двери — 2 шт.
- Крепление трека к стеклу — 2 шт.
- Стопор на трек — 2 шт.
- Торцевое крепление трека к стене — 2 шт.
- Направляющая на пол — 1 шт.
- Ручка двусторонняя тарельчатого типа диаметром 48 мм — 1 шт.
- Комплект крепежа — 1 шт.
Все размеры деталей, вырезы в стекле, схемы для сборки указаны в чертежах.
|
Материал
|
нержавеющая сталь AISI 304 |
|
Диаметр
|
48 мм |
|
Отделка
|
PSS - полированная нержавеющая сталь |
|
Максимальная нагрузка на 2 каретки
|
45 кг |
|
Максимальные размеры
|
800х2000 мм |
|
Максимальные размеры при консольном размещении
|
500х2000 мм |
После оформления заказа менеджер позвонит вам, чтобы уточнить детали. Как только заказ будет подтвержден, на e-mail, указанный при оформлении, будет отправлен счет на оплату. После поступления денег мы отгружаем товар в соответствии с выбранным вами способом доставки. Оригиналы документов предоставляются в момент передачи товара.
Физические лица. Можно выбрать один из четырех доступных способов оплаты:
- Безналичный расчет по выставленному счету.
- Система быстрых платежей (СБП).
- Онлайн-оплата любой банковской картой.
- Онлайн-оплата картой банка через сервис Robokassa (ссылку выставляет персональный менеджер, направляя любым удобным способом).
Юридические лица. Безналичный расчет по предъявленному счету.
Вы можете забрать товар самостоятельно с нашего склада или воспользоваться услугой курьерской доставки. Заказы доставляются во все регионы РФ, а также в страны СНГ и Европы. Уточнить стоимость или другие подробности можно у менеджеров «Иноксхаб» по телефону.

















